钢桩(成品)检验批质量验收记录
一、检验批划分
按施工段、变形缝划分;对于工程量较少的分项工程可统一划分为一个验收批。
二、主控项目、一般项目
5.5.1 施工前应检查进人现场的成品钢桩,成品桩的质量标准应符合本规范表5.5.4-1的规定。
5.5.2 施工中应检查钢桩的垂直度、沉入过程、电焊连接质量、电焊后的停歇时间、桩顶锤击后的完整状况。电焊质量除常规检查外,应做10%的焊缝探伤检查。
5.5.3 施工结束后应做承载力检验。
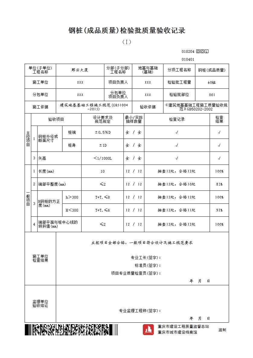
表5.5.4-1成品钢桩质量检验标准
|
项 |
序 |
检查项目 |
允许偏差或允许值 |
检查方法 |
|
|
单位 |
数值 |
||||
|
主控项目 |
1 |
钢桩外径或断面尺寸:桩端 桩身 |
|
±0.5%D ±1D |
用钢尺量,D为外径或边长 |
|
2 |
矢量 |
|
<1/1000l |
用钢尺量,l为桩长 |
|
|
一般项目 |
1 |
长度 |
mm |
+10 |
用钢尺量 |
|
2 |
端部平整度 |
mm |
≤2 |
用水平尺量 |
|
|
3 |
H钢桩的方正度h>300 h<300 ![]()
|
mm mm |
T+T'≤8 T+T'≤6 |
用钢尺量,h、T、 |
|
|
4 |
端部平面与桩中心线的倾斜值 |
mm |
≤2 |
用水平尺量 |
|