上级...

05060302_室外消火栓系统安装检验批质量验收记录

填写规范


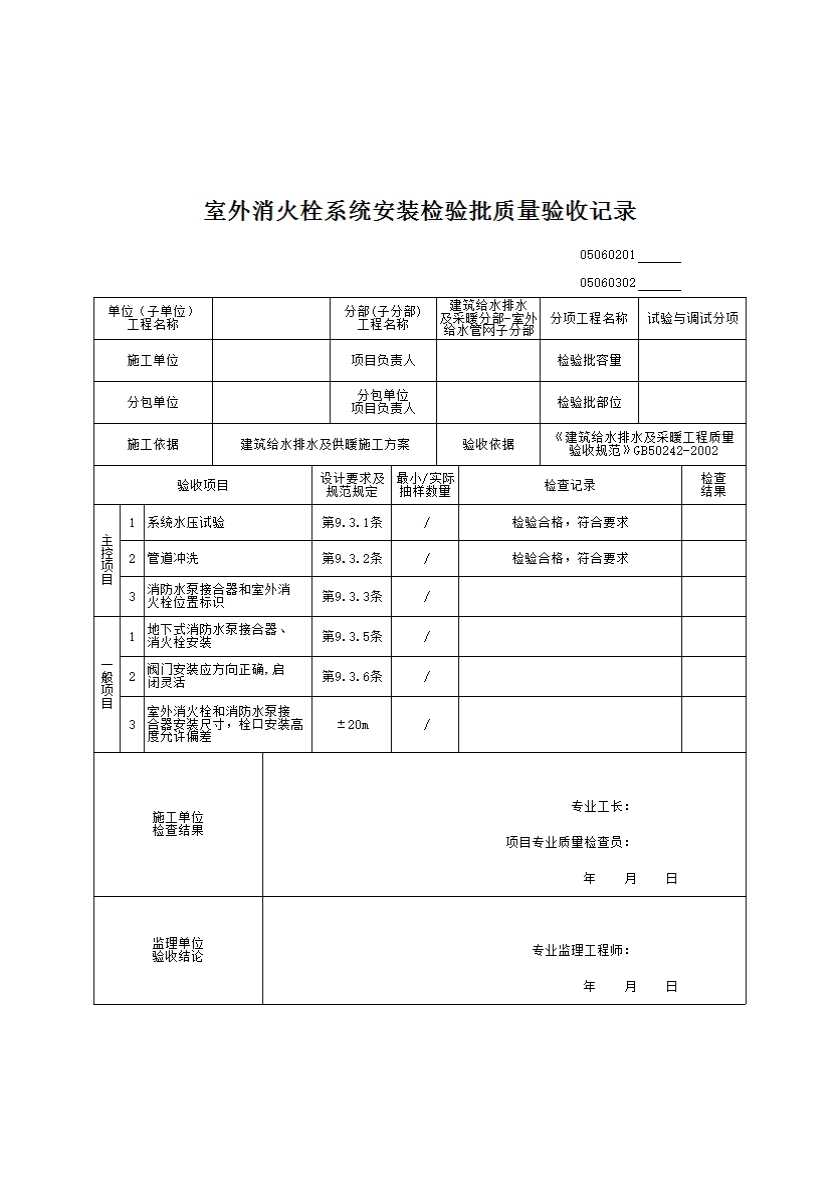
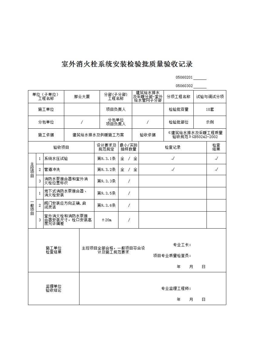
室外消火栓系统安装检验批质量验收记录

一、检验批划分

按设计系统、楼层、施工段或分部分项划为检验批。

二、主控项目

9.3.1 系统必须进行水压试验,试验压力为工作压力的1.5 倍,但不得小于0.6MPa。

检验方法:试验压力下,10min 内压力降不大于0.05MPa,然后降至工作压力进行检查,压力保持不变,不渗不漏。

9.3.2 消防管道在竣工前,必须对管道进行冲洗。检验方法:观察冲洗出水的浊度。

9.3.3 消防水泵接合器和消火栓的位置标志应明显,栓口的位置应方便操作。消防水泵接合器和室外消火栓当采用墙壁式时,如设计未要求,进、出水栓口的中心安装高度距地面应为1.10m,其上方应设有防坠落物打击的措施。

检验方法:观察和尺量检查。

三、一般项目

9.3.4 室外消火栓和消防水泵接合器的各项安装尺寸应符合设计要求,栓口安装高度允许偏差为±20mm。

检验方法:尺量检查。

9.3.5 地下式消防水泵接合器顶部进水口或地下式消火栓的顶部出水口与消防井盖底面的距离不得大于400mm,井内应有足够的操作空间,并设爬梯。寒冷地区井内应做防冻保护。

检验方法:观察和尺量检查。

9.3.6 消防水泵接合器的安全阀及止回阀安装位置和方向应正确,阀门启闭应灵活。

检验方法:现场观察和手扳检查

示例