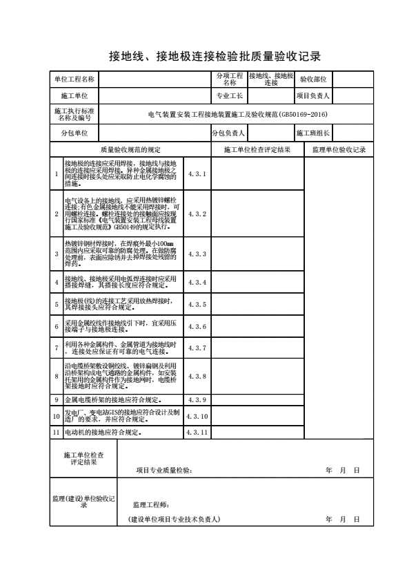
接地线、接地极的连接
4.3.1 接地极的连接应采用焊接,接地线与接地极的连接应采用焊接。异种金属接地极之间连接时接头处应采取防止电化学腐蚀的措施。
4.3.2 电气设备上的接地线,应采用热镀锌螺栓连接;有色金属接地线不能采用焊接时,可用螺栓连接。螺栓连接处的接触面应按现行国家标准《电气装置安装工程 母线装置施工及验收规范》GB 50149的规定执行。
4.3.3 热镀锌钢材焊接时,在焊痕外最小100mm范围内应采取可靠的防腐处理。在做防腐处理前,表面应除锈并去掉焊接处残留的焊药。
4.3.4 接地线、接地极采用电弧焊连接时应采用搭接焊缝,其搭接长度应符合下列规定:
1 扁钢应为其宽度的2倍且不得少于3个棱边焊接。
2 圆钢应为其直径的6倍。
3 圆钢与扁钢连接时,其长度应为圆钢直径的6倍。
4 扁钢与钢管、扁钢与角钢焊接时,除应在其接触部位两侧进行焊接外,还应由钢带或钢带弯成的卡子与钢管或角钢焊接。
4.3.5 接地极(线)的连接工艺采用放热焊接时,其焊接接头应符合下列规定:
1 被连接的导体截面应完全包裹在接头内。
2 接头的表面应平滑。
3 被连接的导体接头表面应完全熔合。
4 接头应无贯穿性的气孔。
4.3.6 采用金属绞线作接地线引下时,宜采用压接端子与接地极连接。
4.3.7 利用各种金属构件、金属管道为接地线时,连接处应保证有可靠的电气连接。
4.3.8 沿电缆桥架敷设铜绞线、镀锌扁钢及利用沿桥架构成电气通路的金属构件,如安装托架用的金属构件作为接地网时,电缆桥架接地时应符合下列规定:
1 电缆桥架全长不大于30m时,与接地网相连不应少于2处。
2 全长大于30m时,应每隔20m~30m增加与接地网的连接点。
3 电缆桥架的起始端和终点端应与接地网可靠连接。
4.3.9 金属电缆桥架的接地应符合下列规定:
1 宜在电缆桥架的支吊架上焊接螺栓,和电缆桥架主体采用两端压接铜鼻子的铜绞线跨接,跨接线最小截面积不应小于4mm2。
2 电缆桥架的镀锌支吊架和镀锌电缆桥架之间无跨接地线时,其间的连接处应有不少于2个带有防松螺帽或防松垫圈的螺栓固定。
4.3.10 发电厂、变电站GIS的接地应符合设计及制造厂的要求,并应符合下列规定:
1 GIS基座上的每一根接地母线,应采用分设其两端且不少于4根的接地线与发电厂或变电站的接地装置连接。接地线应与GIS区域环形接地母线连接。接地母线较长时,其中部应另设接地线,并连接至接地网。
2 接地线与GIS接地母线应采用螺栓连接方式。
3 当GIS露天布置或装设在室内与土壤直接接触的地面上时,其接地开关、金属氧化物避雷器的专用接地端子与GIS接地母线的连接处,宜装设集中接地装置。
4 GIS室内应敷设环形接地母线,室内各种设备需接地的部位应以最短路径与环形接地母线连接。GIS置于室内楼板上时,其基座下的钢筋混凝土地板中的钢筋应焊接成网,并和环形接地母线连接。
5 法兰片间应采用跨接线连接,并保证良好的电气通路;当制造厂采用带有金属接地连接的盆式绝缘子与法兰结合面可保证电气导通时,法兰片间可不另做跨接连接。
4.3.11 电动机的接地应符合下列规定:
1 当电机相线截面积小于25mm2时,接地线应等同相线的截面积;当电机相线截面积为25mm2~50mm2时,接地线截面积应为25mm2;当电机相线截面积大于50mm2时,接地线截面积应为相线截面积的50%。
2 保护接地端子除作保护接地外,不应兼作他用。