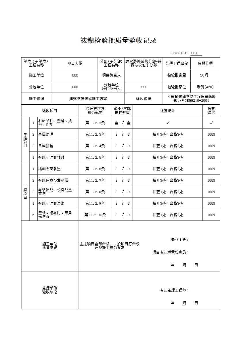
裱糊检验批质量验收记录
本节适用于聚氯乙烯塑料壁纸、复合纸质壁纸、墙布等裱糊工程的质量验收。
一、检验批划分
同一品种的裱糊工程每50间(大面积房间和走廊按施工面积30㎡为一间)应划分为一个检验批,不足50间也应划分为一个检验批。
二、主控项目
11.2.2 壁纸、墙布的种类、规格、图案、颜色和燃烧性能等级必须符合设计要求及国家现行标准的有关规定。
检验方法:观察;检查产品合格证书、进场验收记录和性能检测报告。
11.2.3 裱糊工程基层处理质量应符合本规范第11.1.5条的要求。
检验方法:观察;手摸检查;检查施工记录。
11.2.4 裱糊后各幅拼接应横平竖直,拼接处花纹、图案应吻合,不离缝,不搭接,不显拼缝。
检验方法:观察;拼缝检查距离墙面1.5m处正视。
11.2.5 壁纸、墙布应粘贴牢固,不得有漏贴、补贴、脱层、空鼓和翘边。
检验方法:观察;手摸检查。
三、一般项目
11.2.6 裱糊后的壁纸、墙布表面应平整,色泽一致,不得有波纹起伏、气泡、裂缝、皱折及斑污,斜视时应无胶痕。
检验方法:观察;手摸检查。
11.2.7 复合压花壁纸的压痕及发泡壁纸的发泡层应无损坏。
检验方法:观察。
11.2.8 壁纸、墙布与各种装饰线、设备线盒应交接严密。
检验方法:观察。
11.2.9 壁纸、墙布边缘应平直整齐,不得有纸毛、飞刺。
检验方法:观察。
11.2.10 壁纸、墙布阴角处搭接应顺光,阳角处应无接缝。
检验方法:观察。