硬化耐磨面层检验批质量验收记录
一、检验批划分
按施工段、变形缝划分;对于工程量较少的分项工程可统一划分为一个验收批。
二、主控项目
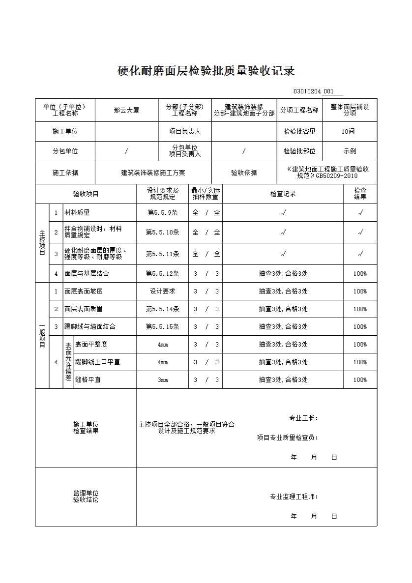
5.5.9 硬化耐磨面层采用的材料应符合设计要求和国家现行有关标准的规定。
检验方法:观察检查和检查质量合格证明文件。
检查数量:采用拌合料铺设的,按同一工程、同一强度等级检查一次;采用撒布铺设的,按同一工程、同一材料、同一生产厂家、同一型号、同一规格、同一批号检查一次。
5.5.10 硬化耐磨面层采用拌合料铺设时,水泥的强度不应小于42.5MPa。金属渣、屑、纤维不应有其它杂质,使用前应去油除锈、冲洗干净并干燥;石英砂应用中粗砂,含泥量不应大于2﹪。
检验方法:观察检查和检查质量合格证明文件。
检查数量:同一工程、同一强度等级检查一次。
5.5.11 硬化耐磨面层的厚度、强度等级、耐磨性能应符合设计要求。
检验方法:用钢尺检查和检查配合比试验报告、强度等级检测报告、耐磨性能检测报告。
检查数量:厚度按本规范第3.0.21条规定的检验批检查;配合比试验报告按同一工程、同一强度等级、同一配合比检查一次;强度等级检测报告按本规范第3.0.19条的规定检查;耐磨性能检测报告按同一工程抽样检查一次。
5.5.12 面层与基层(或下一层)结合应牢固,且应无空鼓、裂缝。当出现空鼓时,空鼓面积不应大于400cm2,且每自然间或标准间不应多于2处。
检验方法:观察检查和用小锤轻击检查。
检查数量:按本规范第3.0.21条规定的检验批检查。
三、一般项目
5.5.13 面层表面坡度应符合设计要求,不应有倒泛水和积水现象。
检验方法:观察检查和用坡度尺检查。
检查数量:按本规范第3.0.21条规定的检验批检查。
5.5.14 面层表面应色泽一致,切缝应顺直,不应有裂纹、脱皮、麻面、起砂等缺陷。
检验方法:观察检查。
检查数量:按本规范第3.0.21条规定的检验批检查。
5.5.15 踢脚线与柱、墙面应紧密结合,踢脚线高度及出柱、墙厚度应符合设计要求且均匀一致。当出现空鼓时,局部空鼓长度不应大于300mm,且每自然间或标准间不应多于2处。
检验方法:用小锤轻击、钢尺和观察检查。
检查数量:按本规范第3.0.21条规定的检验批检查。
5.5.16 硬化耐磨面层的允许偏差应符合本规范表5.1.7的规定。
检验方法:按本规范表5.1.7中的检查方法检查。
检查数量:按本规范第3.0.21条规定的检验批和第3.0.22条的规定检查。
表5.1.7 整体面层的允许偏差和检验方法
|
项 次 |
项目 |
允许偏差(mm) |
检验 方法 |
||||||||
|
水泥混凝土面层 |
水泥砂浆面层 |
普通水磨石面层 |
高级水磨石面层 |
硬化耐磨面层 |
防油渗混凝土和不发火(防爆)面层 |
自流平面层 |
涂料面层 |
塑胶 面层 |
|||
|
1 |
表面 平整度 |
5 |
4 |
3 |
2 |
4 |
5 |
2 |
2 |
2 |
用2m靠尺和楔形塞尺检查 |
|
2 |
踢脚线 上口平直 |
4 |
4 |
3 |
3 |
4 |
4 |
3 |
3 |
3 |
拉5m线和用钢尺检查 |
|
3 |
缝格 顺直 |
3 |
3 |
3 |
2 |
3 |
3 |
2 |
2 |
2 |
|
3.0.21 建筑地面工程施工质量的检验,应符合下列规定:
1 基层(各构造层)和各类面层的分项工程的施工质量验收应按每一层次或每层施工段(或变形缝)划分检验批,高层建筑的标准层可按每三层(不足三层按三层计)划分检验批;
2 每检验批应以各子分部工程的基层(各构造层)和各类面层所划分的分项工程按自然间(或标准间)检验,抽查数量应随机检验不应少于3间;不足3间,应全数检查;其中走廊(过道)应以10延长米为1间,工业厂房(按单跨计)、礼堂、门厅应以两个轴线为1间计算;
3 有防水要求的建筑地面子分部工程的分项工程施工质量每检验批抽查数量应按其房间总数随机检验不应少于4间,不足4间,应全数检查。
3.0.22 建筑地面工程的分项工程施工质量检验的主控项目,应达到本规范规定的质量标准,认定为合格;一般项目80%以上的检查点(处)符合本规范规定的质量要求,其他检查点(处)不得有明显影响使用,且最大偏差值不超过允许偏差值的50%为合格。