上级...

02030202_高强度螺栓连接检验批质量验收记录

填写规范


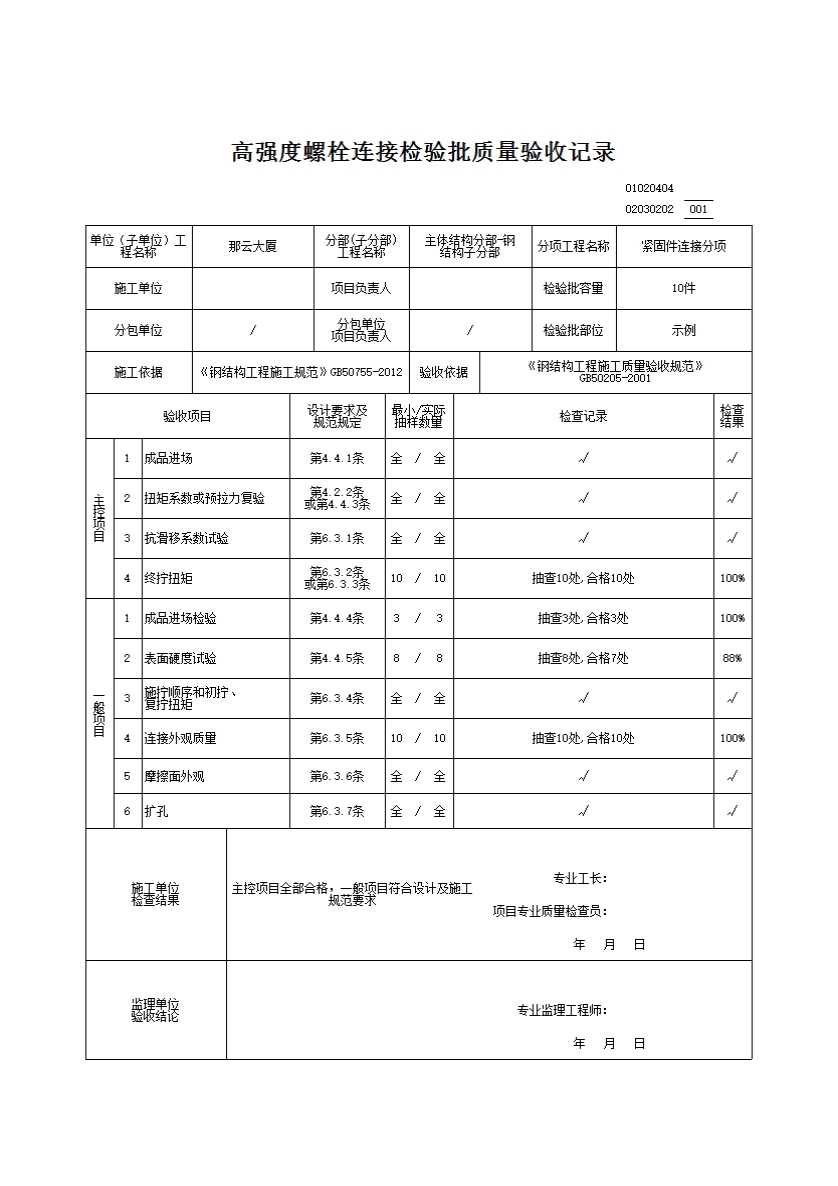
高强度螺栓连接检验批质量验收记录

一、检验批划分

按施工段、变形缝划分;对于工程量较少的分项工程可统一划分为一个验收批。

二、主控项目

4.4.1 钢结构连接用高强度大六角头螺栓连接副、扭剪型高强度螺栓连接副、钢网架用高强度螺栓、普通螺栓、铆钉、自攻钉、拉铆钉、射钉、锚栓(机械型和化学试剂型)、地脚锚栓等紧固标准件及螺母、垫圈等标准配件,其品种、规格、性能等应符合现行国家产品标准和设计要求。高强度大六角头螺栓连接副和扭剪型高强度螺栓连接副出厂时应分别随箱带有扭矩系数和紧固轴力(预拉力)的检验报告。

检查数量:全数检查。

检验方法:检查产品的质量合格证明文件、中文标志及检验报告等。

4.4.2 高强度大六角头螺栓连接副应按本规范附录B的规定检验其扭矩系数,其检验结果应符合本规范附录B的规定。

检查数量:见本规范附录B。

检验方法:检查复验报告。

4.4.3 扭剪型高强度螺栓连接副应按本规范附录B的规定检验预拉力,其检验结果应符合本规范附录B的规定。

检查数量:见本规范附录B。

检验方法:检查复验报告。

6.3.1 钢结构制作和安装单位应按本规范附录B的规定分别进行高强度螺栓连接摩擦面的抗滑移系数试验和复验,现场处理的构件磨擦应单独进行磨擦面抗滑移系数试验,其结果应符合设计要求。

检查数量:见本规范附录B。

检验方法:检查磨擦面抗滑移系数试验报告和复验报告。

6.3.2 高强度大六角头螺栓连接副终拧完成1h后、48h内应进行终拧扭矩检查,检查结果应符合本规范附录B的规定。

检查数量:按节点数检查10%,且不应少于10个;每个被抽查节点按螺栓数抽查10%,且不应少于2个。

检验方法:见本规范附录B。

6.3.3 扭剪型高强度螺栓连接副终拧后,除因构造原因无法使用专用扳手终拧掉梅花头者外,未在终拧中拧掉梅花头的螺栓数不应大于该节点螺栓数的5%。对所有梅花头未拧掉的扭剪型高强度螺栓连接副应采用扭矩法或转角头进行终拧掉的扭剪型高强度螺栓连接副应采用扭矩法或转角法进行终拧并用标记,且按本规范第6.3.2条的规定进行拧扭矩检查。

检查数量:按节点数抽查10%,但不应少于10节点,被抽查节点中梅花头未拧掉的扭剪型高强度螺栓连接副全数进行终拧扭矩检查。

检验方法:观察检查及本规范附录B。

三、一般项目

4.4.4 高强度螺栓连接副,应按包装箱配套供货,包装箱上应标明批号、规格、数量及生产日期。螺栓、螺母、垫圈外观表面应涂油保护,不应出现生锈和沾染赃物,螺纹不应损伤。

检查数量:按包装箱数抽查5%,且不应少于3箱。

检验方法:观察检查。

4.4.5 对建筑结构安全等级为一级,跨度40m及以上的螺栓球节点钢网架结构,其连接高强度螺栓应进行表面硬度试验,对8.8级的高强度螺栓其硬度应为HRC21—29;10.9级高强度螺栓其硬度应为HRC32—36,且不得有裂纹或损伤。

检查数量:按规格抽查8只。

检验方法:硬度计、10倍放大镜或磁粉探伤。

6.3.4 高强度螺栓连接副的施拧顺序和初拧、复拧扭矩应符合设计要求和国家现行行业标准《钢结构高强度螺栓连接的设计施工及验收规程》JGJ82的规定。

检查数量:全数检查资料。

检验方法:检查扭矩扳手标定记录和螺栓施工记录。

6.3.5 高强度螺栓连接副拧后,螺栓丝扣外露应为2-3扣,其中允许有10%的螺栓丝扣外露1扣或4扣。

检查数量:按节点数抽查5%,且不应少于10个。

检验方法:观察检查。

6.3.6 高强度螺栓连接磨擦面应保持干燥、整洁,不应有飞边、毛刺、焊接飞溅物、焊疤、氧气铁皮、污垢等,除设计要求外磨擦面不应涂漆。

检查数量:全数检查。

检验方法:观察检查。

6.3.7 高强度螺栓应自由穿入螺栓孔。高强度螺栓孔不应采用气割扩孔,扩孔数量应征得设计同意,扩孔后的孔径不应超过1.2d(d为螺栓直径)。

检查数量:被扩螺栓孔全数检查。

检验方法:观察检查及用卡尺检查。

6.3.8 螺栓球节点网架总拼完成后,高强度螺栓与球节点应紧固连接,高强度螺栓拧入螺栓球内的螺纹长度不应小于1.0d(d为螺栓直径),连接处不应出现有间隙、松动等未拧紧情况。

检查数量:按节点数抽查5%,且不应少于10个。

检验方法:普通扳手及尺量检查。

示例