上级...

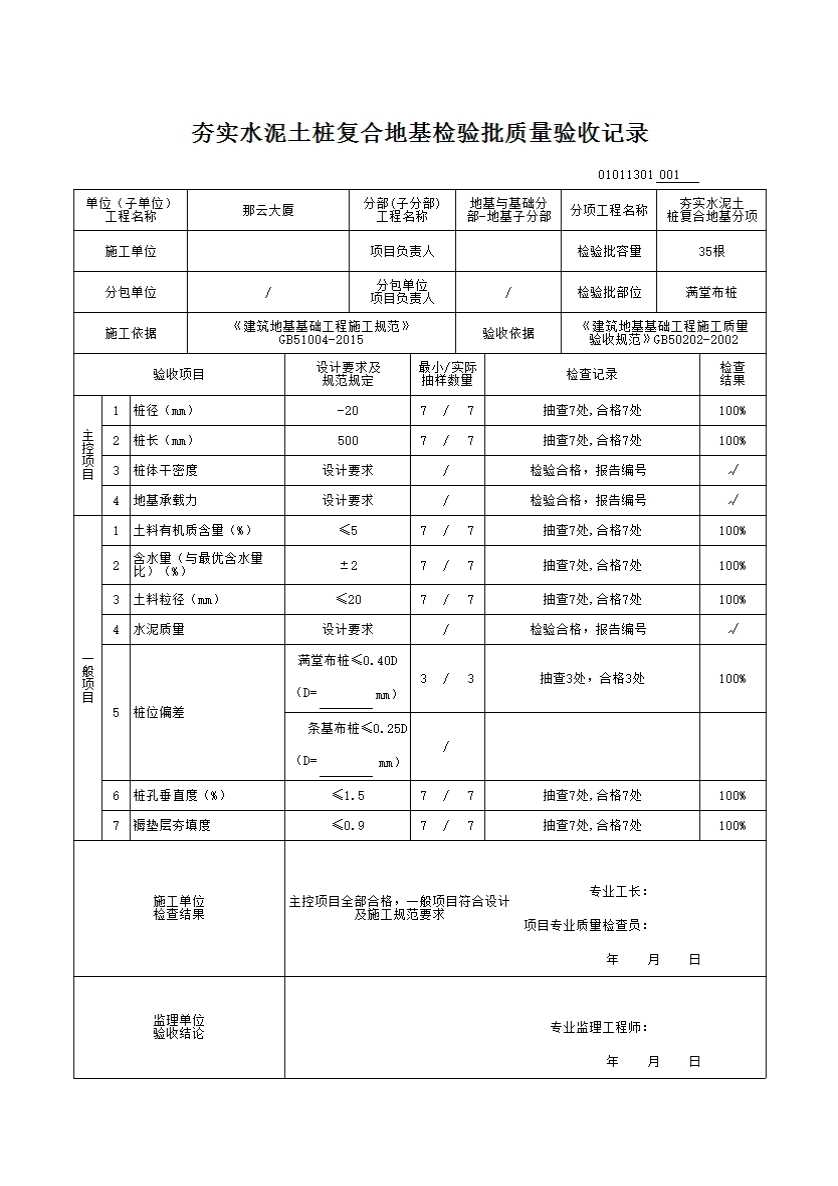
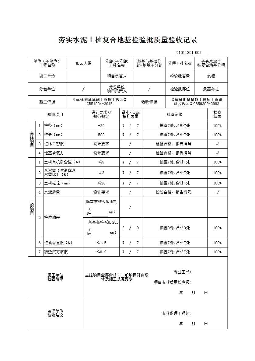
01011301_夯实水泥土桩复合地基检验批质量验收记录

填写规范


夯实水泥土桩复合地基检验批质量验收记录

一、检验批划分

按施工段、变形缝划分;对于工程量较少的分项工程可统一划分为一个验收批。

二、主控项目、一般项目

4.14.1 水泥及夯实用土料的质量应符合设计要求。

4.14.2 施工中应检查孔位、孔深、孔径、水泥和土的配比、混合料含水量等。

4.14.3 施工结束后,应对桩体质量及复合地基承载力做检验,褥垫层应检查其夯填度。

4.14.4 夯实水泥土桩的质量检验标准应符合表4.14.4的规定。

4.14.5 夯扩桩的质量检验标准可按本节执行。

4.14.4夯实水泥土桩复合地基质量检验标准

检查项目

允许偏差或允许值

检查方法

单位

数值

1

桩径

mm

-20

用钢尺量

2

桩长

mm

+500

测桩孔深度

3

桩体干密度

设计要求

现场取样检查

4

地基承载力

设计要求

按规定的方法

1

土料有机质含量

%

≤5

焙烧法

2

含水量(与最优含水量比)

%

±2

烘干法

3

土料粒径

mm

≤20

筛分法

4

水泥质量

设计要求

查产品质量合格证书或抽样送检

5

桩位偏差

满堂布桩≤0.04D条基布桩≤0.25D

用钢尺量,D为桩径

6

桩孔垂直度

%

≤1.5

用经纬仪测桩管

7

褥垫层夯填度

≤0.9

用钢尺量

示例