注浆地基检验批质量验收记录
一、检验批划分
按施工段、变形缝划分;对于工程量较少的分项工程可统一划分为一个验收批。
二、主控项目、一般项目
4.7.1 施工前应掌握有关技术文件(注浆点位置、浆液配比、注浆,
施工技术参数、检测要求等)。浆液组成材料的性能应符合设计要求,注浆设备应确保正常运转。
4.7.2 施工中应经常抽查浆液的配比及主要性能指标,注浆的顺序、注浆过程中的压力控制等。
4.7.3 施工结束后,应检查注浆体强度、承载力等。检查孔数为总量的2%~5%,不合格率大于或等于20%时应进行二次注浆。检验应在注浆后15d(砂土、黄土)或60d(粘性土)进行。
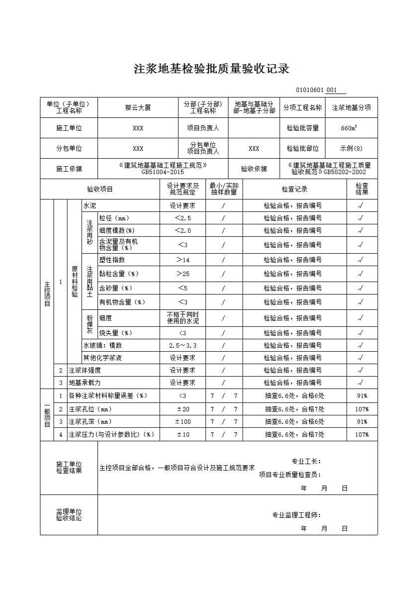
4.7.4 注浆地基的质量检验标准应符合表4.7.4的规定。
表4.7.4注浆地基质量检验标准
|
项 |
序 |
检查项目 |
允许偏差或允许值 |
检查方法 |
||
|
单位 |
数值 |
|||||
|
主 控 项 目 |
1 |
原 材 料 检 验 |
水泥 |
设计要求 |
查产品合格证书或抽样送检 |
|
|
注浆用砂: 粒径 细度模数 含泥量及有机物含量 |
mm % |
<2.5 <2.0 <3 |
试验室试验 |
|||
|
注浆用粘土:塑性指数 粘粒含量 含砂量 有机物含量 |
% % % |
>14 >25 <5 <3 |
试验室试验 |
|||
|
粉煤灰:细度 烧失量 |
不粗于同时使用的水泥 |
试验室试验 |
||||
|
% |
<3 |
|||||
|
水玻璃:模数 |
2.5-3.3 |
抽样送检 |
||||
|
其他化学浆液 |
设计要求 |
查产品合格证书或抽样送检 |
||||
|
2 |
注浆体强度 |
设计要求 |
取样检验 |
|||
|
3 |
地基承载力 |
设计要求 |
按规定方法 |
|||
|
一 般 项 目 |
1 |
各种注浆材料称量误差 |
% |
<3 |
抽查 |
|
|
2 |
注浆孔位 |
mm |
±20 |
用钢尺量 |
||
|
3 |
注浆孔深 |
mm |
±100 |
量测注浆管长度 |
||
|
4 |
注浆压力(与设计参数比) |
% |
±10 |
检查压力表读数 |
||