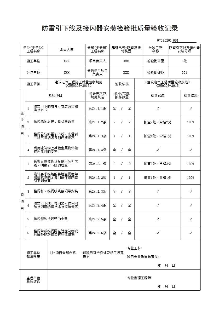
防雷引下线及接闪器安装检验批质量验收记录
一、检验批划分:按施工段、变形缝划分;对于工程量较少的分项工程可统一划分为一个检验批。
24.1 主控项目
24.1.1 防雷引下线的布置、安装数量和连接方式应符合设计要求。
检查数量:明敷的引下线全数检查,利用建筑结构内钢筋敷设的引下线或抹灰层内的引下线按总数量各抽查5%,且均不得少于2处。
检查方法:明敷的观察检查,暗敷的施工中观察检查并查阅隐蔽工程检查记录。
24.1.2 接闪器的布置、规格及数量应符合设计要求。
检查数量:全数检查。
检查方法:观察检查并用尺量检查,核对设计文件。
24.1.3 接闪器与防雷引下线必须采用焊接或卡接器连接,防雷引下线与接地装置必须采用焊接或螺栓连接。
检查数量:全数检查。
检查方法:观察检查,并采用专用工具拧紧检查。
24.1.4 当利用建筑物金属屋面或屋顶上旗杆、栏杆、装饰物、铁塔、女儿墙上的盖板等永久性金属物做接闪器时,其材质及截面应符合设计要求,建筑物金属屋面板间的连接、永久性金属物各部件之间的连接应可靠、持久。
检查数量:全数检查。
检查方法:观察检查,核查材质产品质量证明文件和材料进场验收记录,并核对设计文件。
24.2 一般项目
24.2.1 暗敷在建筑物抹灰层内的引下线应有卡钉分段固定;明敷的引下线应平直、无急弯,并应设置专用支架固定,引下线焊接处应刷油漆防腐且无遗漏。
检查数量:抽查引下线总数的10%,且不得少于2处。
检查方法:明敷的观察检查,暗敷的施工中观察检查并查阅隐蔽工程检查记录。
24.2.2 设计要求接地的幕墙金属框架和建筑物的金属门窗,应就近与防雷引下线连接可靠,连接处不同金属间应采取防电化学腐蚀措施。
检查数量:按接地点总数抽查10%,且不得少于1处。
检查方法:施工中观察检查并查阅隐蔽工程检查记录。
24.2.3 接闪杆、接闪线或接闪带安装位置应正确,安装方式应符合设计要求,焊接固定的焊缝应饱满无遗漏,螺栓固定的应防松零件齐全,焊接连接处应防腐完好。
检查数量:全数检查。
检查方法:观察检查。
24.2.4 防雷引下线、接闪线、接闪网和接闪带的焊接连接搭接长度及要求应符合本规范第22.2.2条的规定。
检查数量:全数检查。
检查方法:观察检查并用尺量检查,查阅隐蔽工程检查记录。
24.2.5 接闪线和接闪带安装应符合下列规定:
1 安装应平正顺直、无急弯,其固定支架应间距均匀、固定牢固;
2 当设计无要求时,固定支架高度不宜小于150mm,间距应符合表24.2.5的规定;
3 每个固定支架应能承受49N的垂直拉力。
检查数量:第1款、第2款全数检查,第3款按支持件总数抽查30%,且不得少于3个。
检查方法:观察检查并用尺量、用测力计测量支架的垂直受力值。
表24.2.5明敷引下线及接闪导体固定支架的间距(mm )
|
布置方式 |
扁形导体固定 支架间距 |
圆形导体固定 支架间距 |
|
安装于水平面上的水平导体 |
500 |
1000 |
|
安装于垂直面上的水平导体 |
||
|
安装于高于20m以上垂直面上的垂直导体 |
||
|
安装于地面至20以下 垂直面上的垂直导体 |
1000 |
1000 |
24.2.6 接闪带或接闪网在过建筑物变形缝处的跨接应有补偿措施。
检查数量:全数检查。
检查方法:观察检查。