上级...

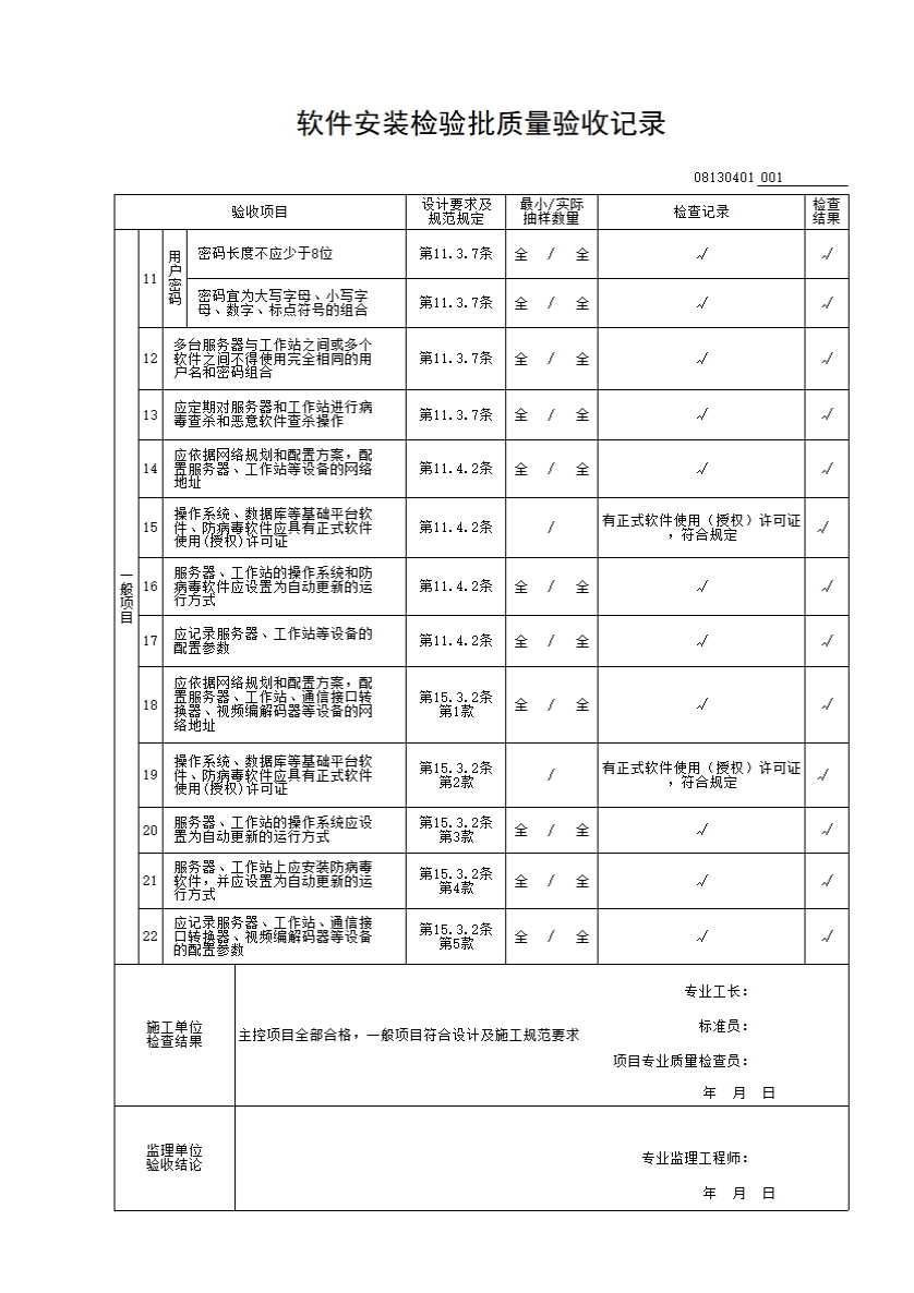
08130401_软件安装检验批质量验收记录

填写规范


软件安装检验批质量验收记录

一、检验批划分按施工段、单元及系统划分;对于工程量较少的分项工程可统一划分为一个验收批。

二、主控项目

3.5.5 软件产品质量检查应符合下列规定:

1 应核查使用许可证及使用范围;

2 用户应用软件,设计的软件组态及接口软件等,应进行功能测试和系统测试,并应提供包括程序结构说明、安装调试说明、使用和维护说明书等的完整文档。

11.4.1 主控项目的质量控制应符合下列规定:

1 应为操作系统、数据库、防病毒软件安装最新版本的补丁程序;

2 软件和设备在启动、运行和关闭过程中不应出现运行时错误;

3 软件修改后,应通过系统测试和回归测试。

15.3.1 主控项目应符合下列规定:

1 子系统之间的硬线连接、串行通讯连接、专用网关(路由器)接口连接等应符合设计文件、产品标准和产品技术文件或接口规范的要求,检测时应全部检测,100%合格为检测合格。

2 软件和设备在启动、运行和关闭过程中不应出现运行时错误;

3 通信接口软件修改后,应通过系统测试和回归测试;

4 应根据集成子系统的通信接口、工程资料和设备实际运行情况,对运行数据进行核对;

5 系统应能正确实现经会审批准的智能化集成系统的联动功能。

三、一般项目

6.2.2 软件系统的安装应符合下列规定:

1 应按设计文件为设备安装相应的软件系统,系统安装应完整;

2 应提供正版软件技术手册;

3 服务器不应安装与本系统无关的软件;

4 操作系统、防病毒软件应设置为自动更新方式;

5 软件系统安装后应能够正常启动、运行和退出;

6 在网络安全检验后,服务器方可以在安全系统的保护下与互联网相联,并应对操作系统、防病毒软件升级及更新相应的补丁程序。

6.3.2 信息网络系统一般项目应符合下列规定:

1 计算机网络的容错功能和网络管理等功能应符合国家标准《智能建筑工程质量验收规范》GB50339中第5.3.5、5.3.6条的规定实施检测,并应认真填写记录;

2 应检验软件系统的操作界面,操作命令不得有二义性;

3 应检验软件系统的可扩展性、可容错性和可维护性;

4 应检验网络安全管理制度、机房的环境条件、防泄露与保密措施。

11.3.7 软件安装的安全措施应符合下列规定:

1 服务器和工作站上应安装防病毒软件,应使其始终处于启用状态;

2 操作系统、数据库、应用软件的用户密码应符合规范规定。

3 多台服务器与工作站之间或多个软件之间不得使用完全相同的用户名和密码组合;

4 应定期对服务器和工作站进行病毒查杀和恶意软件查杀操作。

11.4.2 一股项目的质量控制应符合下列规定:

1 应依据网络规划和配置方案,配置服务器、工作站等设备的网络地址;

2 操作系统、数据库等基础平台软件、防病毒软件应具有正式软件使用(授权)许可证;

3 服务器、工作站的操作系统和防病毒软件应设置为自动更新的运行方式;

4 应记录服务器、工作站等设备的配置参数。

15.3.2 一般项目应符合下列规定:

1 应依据网络规划和配置方案,配置服务器、工作站、通信接口转换器、视频编解码器等设备的网络地址;

2 操作系统、数据库等基础平台软件、防病毒软件应具有正式软件使用(授权)许可证;

3 服务器、工作站的操作系统应设置为自动更新的运行方式;

4 服务器、工作站上应安装防病毒软件,并应设置为自动更新的运行方式;

5 应记录服务器、工作站、通信接口转换器、视频编解码器等设备的配置参数。

示例