上级...

01020310_现浇结构外观及尺寸偏差检验批质量验收记录

填写规范


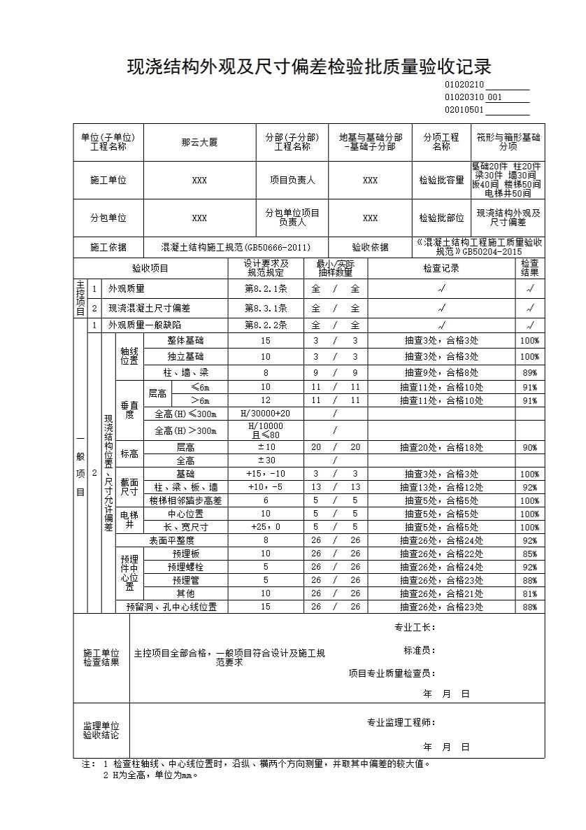
现浇结构外观及尺寸偏差检验批质量验收记录 

一、检验批划分

各分项工程可根据与生产和施工方式相一致且便于控制施工质量的原则,按进场批次、工作班、楼层、结构缝或施工段划分为若干检验批。

二、主控项目

8.2.1 现浇结构的外观质量不应有严重缺陷。 对已经出现的严重缺陷,应由施工单位提出技术处理方案,并经监理单位认可后进行处理;对裂缝或连接部位的严重缺陷及其他影响结构安全的严重缺陷,技术处理方案尚应经设计单位的认可。对经处理的部位应重新验收。

检查数量:全数检查。

检验方法:观察,检查处理记录。

8.3.1 现浇结构不应有影响结构性能或使用功能的尺寸偏差;混凝土设备基础不应有影响结构性能或设备安装的尺寸偏差。对超过尺寸允许偏差且影响结构性能或安装、使用功能的部位,应由施工单位提出技术处理方案,并经监理、设计单位认可后进行处理。对经处理的部位应重新验收。

检查数量:全数检查。

检验方法:量测,检查处理记录。

三、一般项目

8.2.2 现浇结构的外观质量不宜有一般缺陷。对已经出现的一般缺陷,应由施工单位按技术处理方案进行处理。对经处理的部位应重新验收。

检查数量:全数检查。

检验方法:观察,检查处理记录。

8.3.2 现浇结构的位置和尺寸偏差及检验方法应符合表8.3.2的规定。 

检查数量:按楼层、结构缝或施工段划分检验批。在同一检验批内,对梁、柱和独立基础,应抽查构件数量的10%,且不应少于3件;对墙和板,应按有代表性的自然间抽查10%,且不应少于3间;对大空间结构,墙可按相邻轴线间高度5m左右划分检查面,板可按纵、横轴线划分检查面,抽查10%,且均不应少于3面;对电梯井,应全数检查。

8.3.2 现浇结构尺寸允许偏差和检验方法 

项          目 

允许偏差(mm) 

检验方法 

轴线位置 

整体基础 

15 

经纬仪及尺量 

独立基础 

10 

墙、柱、梁 

8 

垂直度 

层高 

≤6m 

10 

经纬仪或吊线、尺量 

>6m 

12 

经纬仪或吊线、尺量 

全高(H)≤300m 

H/3000+20 

经纬仪、尺量 

全高(H)>300m 

H/10000且≤80 

经纬仪、尺量 

标高 

层高 

±10 

水准仪或拉线、尺量 

全高 

±30 

截面尺寸 

基础 

+15,-10 

尺量 

柱、梁、板、墙 

+10,-5 

尺量 

楼梯相邻踏步高差 

6 

尺量 

电梯井 

中心位置 

10 

尺量 

长、宽尺寸 

+25,0 

尺量 

表面平整度 

8 

2m靠尺和塞尺量测 

预埋件 

中心位置 

预埋板 

10 

尺量 

预埋螺栓 

5 

预埋管 

5 

其他 

10 

预埋洞、孔中心线位置 

15 

尺量 

注:1 检查柱轴线、中心线位置时,沿纵、横两个方向测量,并取其中偏差的较大值。

   2 H为全高,单位为mm。 

示例