上级...

01020305_钢筋连接检验批质量验收记录

填写规范


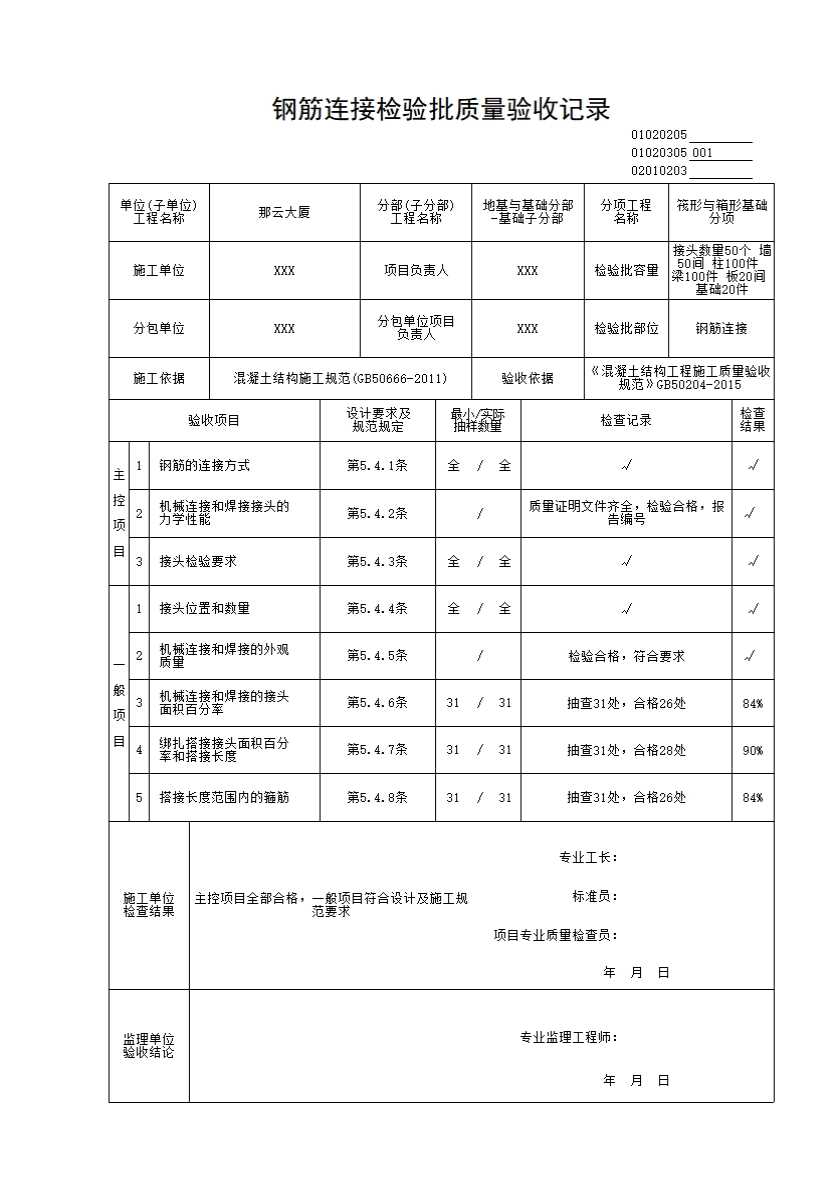
钢筋连接检验批质量验收记录

一、检验批划分

各分项工程可根据与生产和施工方式相一致且便于控制施工质量的原则,按进场批次、工作班、楼层、结构缝或施工段划分为若干检验批。

二、主控项目

5.4.1 钢筋的连接方式应符合设计要求。

检查数量:全数检查。

检验方法:观察。

5.4.2 钢筋采用机械连接或焊接连接时,钢筋机械连接接头、焊接接头的力学性能、弯曲性能应符合国家现行相关标准的规定。接头试件应从工程实体中截取。

检查数量:按现行行业标准《钢筋机械连接技术规程》JGJ107和《钢筋焊接及验收规程》JGJ18的规定确定。

检验方法:检查质量证明文件和抽样检验报告。

5.4.3 钢筋采用机械连接时,螺纹接头应检验拧紧扭矩值,挤压接头应量测压痕直径,检验结果应符合现行行业标准《钢筋机械连接技术规程》JGJ107的相关规定。

检查数量:按现行行业标准《钢筋机械连接技术规程》JGJ107的规定确定。

检验方法:采用专用扭力扳手或专用量规检查。

三、一般项目

5.4.4 钢筋接头的位置应符合设计和施工方案要求。有抗震设防要求的结构中,梁端、柱端箍筋加密区范围内不应进行钢筋搭接。接头末端至钢筋弯起点的距离不应小于钢筋直径的10倍。

检查数量:全数检查。

检验方法:观察,尺量。

5.4.5 钢筋机械连接接头、焊接接头的外观质量应符合现行行业标准《钢筋机械连接技术规程》JGJ107和《钢筋焊接及验收规程》JGJ18的规定。

检查数量:按现行行业标准《钢筋机械连接技术规程》JGJ107和《钢筋焊接及验收规程》JGJ18的规定确定。

检验方法:观察,尺量。

5.4.6 当纵向受力钢筋采用机械连接接头或焊接接头时,同一连接区段内纵向受力钢筋的接头面积百分率应符合设计要求;当设计无具体要求时,应符合下列规定:
1 受拉接头,不宜大于50%;受压接头,可不受限制;
2 直接承受动力荷载的结构构件中,不宜采用焊接;当采用机械连接时,不应超过50%。
检查数量:在同一检验批内,对梁、柱和独立基础,应抽查构件数量的10%,且不应少于3件;对墙和板,应按有代表性的自然间抽查10%,且不应少于3间;对大空间结构,墙可按相邻轴线间高度5m左右划分检查面,板可按纵横轴线划分检查面,抽查10%,且均不应少于3面。

检验方法:观察,尺量。

注:

1 接头连接区段是指长度为35d且不小于500mm的区段,d为相互连接两根钢筋的直径较小值。
2 同一连接区段内纵向受力钢筋接头面积百分率为接头中点位于该连接区段内的纵向受力钢筋截面面  积与全部纵向受力钢筋截面面积的比值。

5.4.7 当纵向受力钢筋采用绑扎搭接接头时,接头的设置应符合下列规定:

1 接头的横向净间距不应小于钢筋直径,且不应小于25mm;

2 同一连接区段内,纵向受拉钢筋的接头面积百分率应符合设计要求;当设计无具体要求时,应符合下列规定:

1)梁类、板类及墙类构件,不宜超过25%;基础筏板,不宜超过50%。

2)柱类构件,不宜超过50%。

3)当工程中确有必要增大接头面积百分率时,对梁类构件,不应大于50%。

检查数量:在同一检验批内,对梁、柱和独立基础,应抽查构件数量的10%,且不应少于3件;对墙和板,应按有代表性的自然间抽查10%,且不应少于3间;对大空间结构,墙可按相邻轴线间高度5m左右划分检查面,板可按纵横轴线划分检查面,抽查10%,且均不应少于3面。

检验方法:观察,尺量。

注:1接头连接区段是指长度为1.3倍搭接长度的区段。搭接长度取相互连接两根钢筋中较小直径计算。

2同一连接区段内纵向受力钢筋接头面积百分率为接头中点位于该连接区段长度内的纵向受力钢筋截面面积与全部纵向受力钢筋截面面积的比值。

5.4.8 梁、柱类构件的纵向受力钢筋搭接长度范围内箍筋的设置应符合设计要求;当设计无具体要求时,应符合下列规定:
1 箍筋直径不应小于搭接钢筋较大直径的1/4;
2 受拉搭接区段的箍筋间距不应大于搭接钢筋较小直径的5倍,且不应大100mm;
3 受压搭接区段的箍筋间距不应大于搭接钢筋较小直径的10倍,且不应大200mm;
4 当柱中纵向受力钢筋直径大于25mm时,应在搭接接头两个端面外100mm范围内各设置二个箍筋,其间距宜为50mm。

检查数量:在同一检验批内,应抽查构件数量的10%,且不应少于3件。

检验方法:观察,尺量。

示例