上级...

03040501_门窗玻璃安装检验批质量验收记录

填写规范


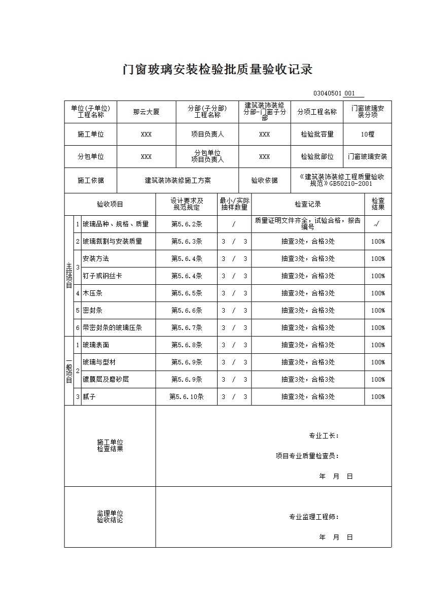
门窗玻璃安装检验批质量验收记录

本节适用于平板、吸热、反射、中空、夹层、夹丝、磨砂、钢化、压花玻璃等玻璃安装工程的质量验收。

一、检验批划分

同一品种、类型和规格的门窗玻璃每100樘应划分一个检验批,不足100樘也应划分为一个检验批。

二、检查数量

门窗玻璃每个检验批应抽查5%,并不得少于3樘,不足3樘时应全数检查;高层建筑外窗,每个检验批应至少抽查10%,并不得少于6樘,不足6樘时应全数检查。

三、主控项目

1.玻璃品种、规格、质量:玻璃的品种、规格、尺寸、色彩、图案和涂膜朝向应符合设计要求。单块玻璃大于1.5㎡时应使用安全玻璃。

(1)检验方法:观察;检查产品合格证书、性能检测报告和市场验收记录。

2.玻璃裁割与安装质量:门窗玻璃裁割尺寸应正确。安装后的玻璃应牢固,不得有裂纹、损伤和松动。

(1)检验方法:观察;轻敲检查。

3.玻璃的安装:玻璃的安装方法应符合设计要求。固定玻璃的钉子或钢丝卡的数量、规格应保证玻璃安装牢固。

(1)检查方法:观察;检查施工记录。

4.木压条:镶钉木压条接触玻璃处,应与裁口边缘平齐。木压条应互相紧密连接,并与裁口边缘紧贴,割角应整齐。

(1)检查方法:观察。

5.密封条:密封条与玻璃、玻璃槽口的接触应紧密、平整。密封胶与玻璃、玻璃槽口的边缘应粘结牢固、接缝平齐。

(1)检查方法:观察。

6.带密封条的玻璃压条:带密封条的玻璃压条,其密封条必须与玻璃全部贴紧,压条与型材之间应无明显缝隙,压条接缝不应大于0.5mm。

(1)检查方法:观察;尺量检查。

四、一般项目

1.玻璃表面:玻璃表面应洁净,不得有腻子、密封胶、涂料等污渍。中空玻璃内外表面均应洁净,玻璃中空层内不得有灰尘和水蒸气。

(1)检验方法:观察。

2.玻璃与型材、镀膜层及磨砂层:门窗玻璃不应直接接触型材。单面镀膜玻璃的镀膜层及磨砂玻璃的磨砂面应朝向室内。中空玻璃的单面镀膜玻璃应最外层,镀膜层应朝向室内。

(1)检验方法:观察。

3.腻子:腻子应填抹饱满、粘结牢固;腻子边缘与裁口应平齐。固定玻璃的卡子不应在腻子表面显露。

(1)检验方法:观察。

示例