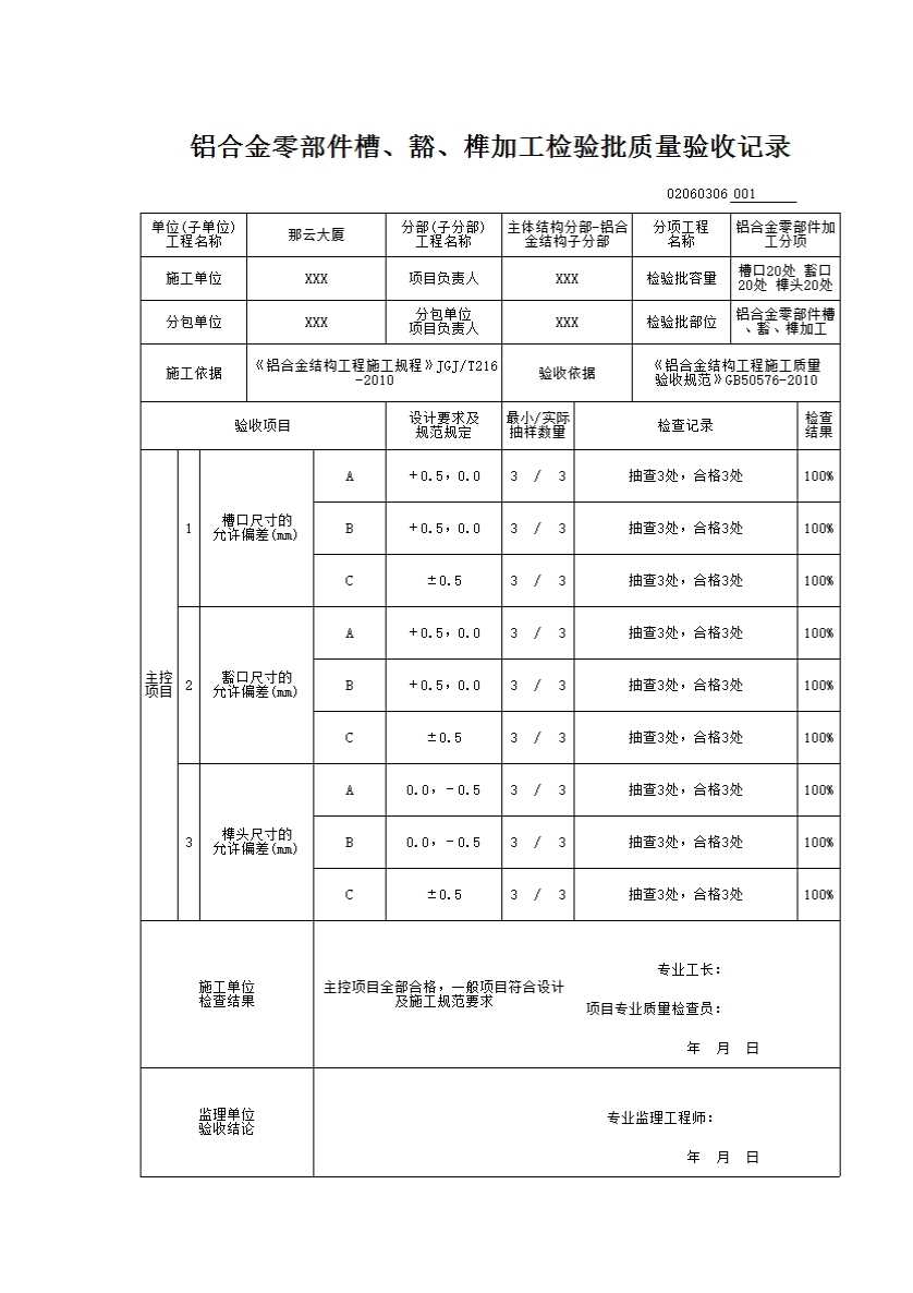
铝合金零部件槽、豁、榫加工检验批质量验收记录
本表适用于铝合金结构制作及安装中铝合金零件及部件加工的质量验收。
一、检验批划分
可按相应的铝合金结构制作工程或铝合金结构安装工程检验批的划分原则及进料实际情况划分为一个或若干个检验批。
二、主控项目
7.6.1 铝合金零部件槽口尺寸(图7.6.1)的允许偏差应符合表7.6.1的规定。
检查数量:按槽口数量10%,且不应小于3处。
检查方法:游标卡尺和卡尺。

表7.6.1 槽口尺寸的允许偏差(mm)
|
项 目 |
A |
B |
C |
|
允许偏差 |
+0.5 0.0 |
+0.5 0.0 |
±0.5 |
7.6.2 铝合金零部件豁口尺寸(图7.6.2)的允许偏差应符合表7.6.2的规定。
检查数量:按豁口数量10%,且不应小于3处。
检查方法:游标卡尺和卡尺。

表7.6.2 豁口尺寸的允许偏差(mm)
|
项 目 |
A |
B |
C |
|
允许偏差 |
+0.5 0.0 |
+0.5 0.0 |
±0.5 |
7.6.3 铝合金零部件榫口尺寸(图7.6.3)的允许偏差应符合表7.6.3的规定。
检查数量:按榫口数量10%,且不应小于3处。
检查方法:游标卡尺和卡尺。

表7.6.3 榫口尺寸的允许偏差(mm)
|
项 目 |
A |
B |
C |
|
允许偏差 |
0.0 -0.5 |
0.0 -0.5 |
±0.5 |