|
云上资料软件
登录
/
注册
免费注册
登录
首页
软件下载
购买
首页
资料软件
(下载)
云上资料软件
(下载)
在线表格
求职招聘
服务平台
那云知道
当前位置:
表格库
>
安徽
>
电力电网
>
火力发电厂热力设备及管道保温防腐施工质量验收规程 DLT 5704-2014
>
3 施工质量验收
>
3.2 施工质量验收范围划分及通用表格
>
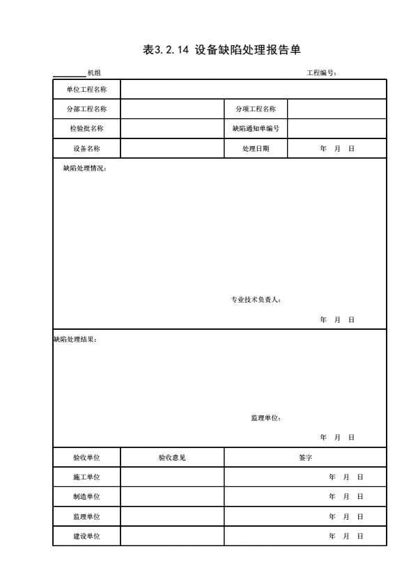
表3.2.14 设备缺陷处理报告单
上级...
表3.2.14 设备缺陷处理报告单
表格
下载表格
点击领取首张表格excel
点击查看大图
下载表格
点击领取首张表格excel
×
下载表格
表格名称:表3.2.14 设备缺陷处理报告单
所需N币:
N币
(我有
)N币)
您的N币不足,请先充值。
充值N币
充值N币
下载
取消
×
分享页面
QQ分享
空间分享
微信分享
微博分享